电动机 电机 马达
>
直流伺服电机
>
MOTEC J系列直流伺服电机
<
>
收藏商品
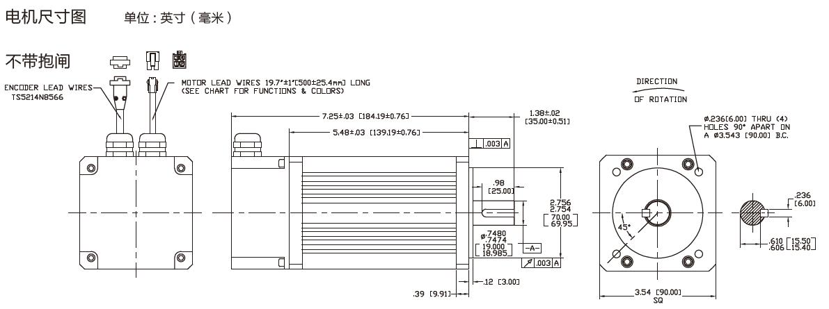
【MOTEC】 直流伺服电机 DSEM-J751530E90LN
自主支持产权,品牌信赖,厂家直销!
含税单价
询价
(运费及价格说明)
订货10天起/现货
选中型号
--
清除选项
-
+
有货
加入购物车
立即下单
您选择的数量已经超出库存!
推荐商品
【MOTEC】 β交流驱动器 ISED-F10F1MC2N
询价
【MOTEC】 直流伺服驱动器 MGDD-8015EAO-P
询价
【MOTEC】 减速电机 DSEM-G2460R120150N
询价
配件商品
<
>
暂无配件
浏览最终购买
【MOTEC】 一体化步进 I²D630-C006
询价
【MOTEC】 三相步进驱动器 SD388B
询价
【Panasonic松下】 接近传感器 GX-108MKA
询价
【Panasonic松下】 激光位移传感器 HG-C1100-P
询价
商品介绍
规格和参数
型号/附件
文件下载
产品型号
供电电压
额定扭矩
额定功率
额定转速
额定电流
反馈类型
抱闸支持
工作温度
DSEM-J751530E90LN
75VDC
2.82Nm
880W
3000rpm
14A
增量式
否
0
~
40℃
售后保障的内容。